Chercher missions
Nos tarifs
Déposer une mission
Connexion
•
M'inscrire
Retour
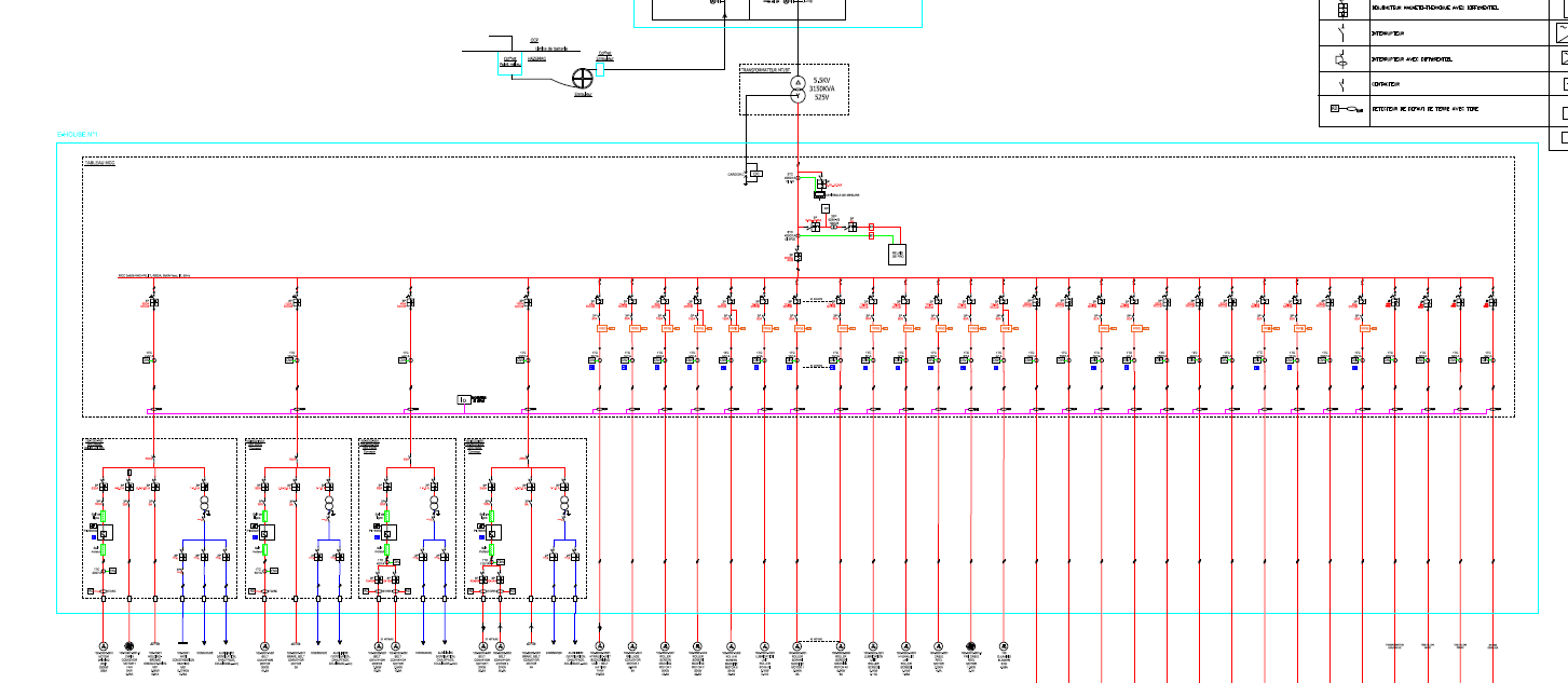
Portfolio / Réalisation
Schéma Unifilaire
(2025)
Freelancer
HAMZA M.
Mohammedia, Maroc
Voir Profil
Informations
Statut:
Publiée
Publiée le:
23-10-2025
Installation réseau
Description:
Réalisation d'une Schéma Unifilaire à l'aide du logiciel AUTOCAD
Vues:
11
Êtes-vous sûr de dépublier cette réalisation ?
Schéma Unifilaire
Oui, Dépublier
Non, Annuler